訓練家的相簿


The legend of trainer's photos


相簿總覽 

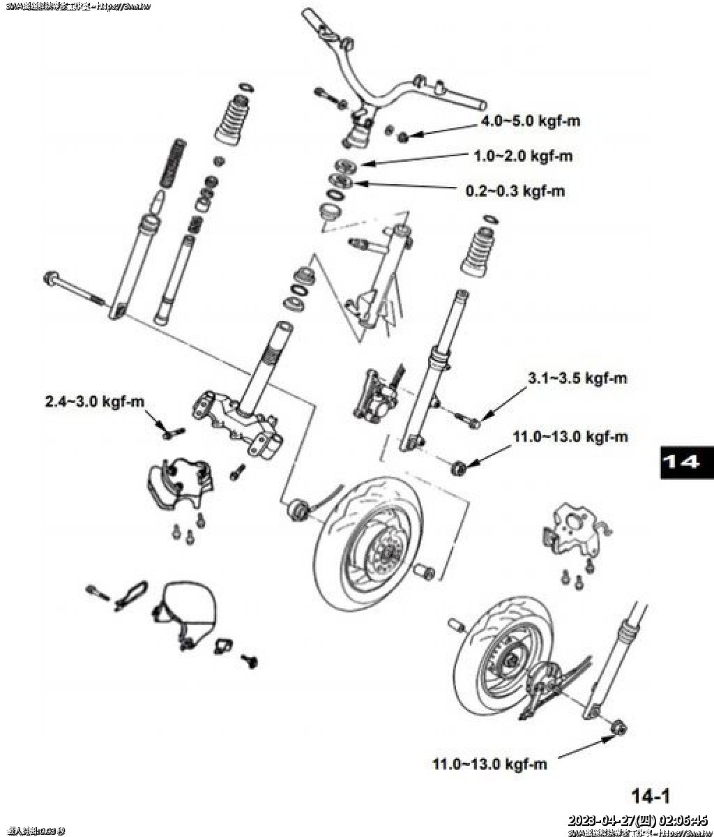
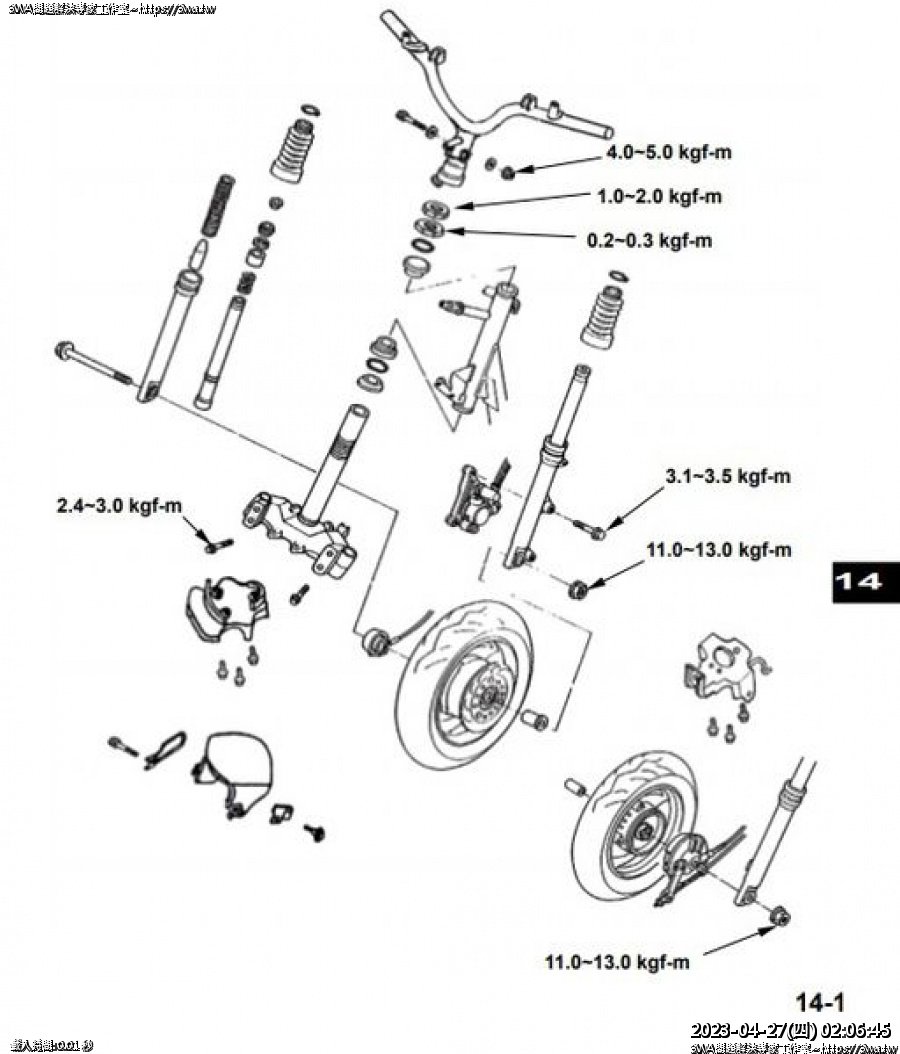
訓練家的相簿系統->2020.08.17高手125換前叉油 【合計:13】
內容說明:2020.08.17高手125換前叉油 瀏覽人數: 1489


 

上一張


  




【第11張】
 

下一張


 


縮圖專用網址: http://3wa.tw/photo/small.php?w_size=450&compassion=60&file_name=users/shadow/1597799310_11.jpg 複製   檢視
放大細緻輸出網址: http://3wa.tw/photo/small.php?w_size=1024&compassion=90&file_name=users/shadow/1597799310_11.jpg 複製   檢視

上傳者: 羽山
上傳日期: 2020年08月19
上傳時間: 09:08:30